製品
プルロッド
  • プルロッドプルロッド
  • プルロッドプルロッド
  • プルロッドプルロッド

プルロッド

Ytai Lock は、産業用キャビネット用途の信頼できるプルロッド メーカーです。このプルロッドは、配電ボックスや開閉装置などのキャビネットで使用できます。ロックプレートをロック機構に接続することにより、上下ドアの同時施錠が容易となり、セキュリティ保護と盗難防止性能が向上します。

プロのプルロッドメーカーとして、Ytai Lock は産業用キャビネット機構用の堅牢で信頼性の高い作動ロッドを製造しています。このプルロッドは、さまざまなキャビネットの寸法に合わせてカスタマイズできます (小さいサイズを除き、人件費がかかります。それ以外の場合は、サイズと直径に基づいてコストが計算され、カスタマイズ料金はかかりません)。あらゆるタイプのキャビネットと互換性があります。

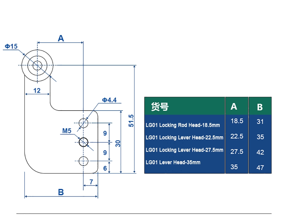
製品型式 LGシリーズ ロッキングレバー
材料
亜鉛メッキ鉄
製品の特徴 柔軟な回転/厚いパネル/耐腐食性と耐久性
適用範囲 配電ボックス/キャビネット/キャビネット/あらゆる種類の産業用ボックス

安全性

このプルロッドは鉄製で、優れた機械的強度と耐久性を備えています。キャビネットの中央にロックが取り付けられている場合、プルロッドを追加すると、キャビネットの上下端のセキュリティが強化され、信頼性が向上します。高度な安全性要件が要求されるシナリオに適しており、偶発的な操作によって引き起こされる機器のリスクを防ぎます。


選択

選択するときは、キャビネットの高さとロックポイントの位置を正確に測定し、ロッドの寸法がキャビネットと一致していることを確認してください。予想される動作周波数に基づいて、適切な直径仕様を選択してください。


設置とメンテナンス

プルロッドを取り付けるときは、最初にガイドコンポーネントを固定し、ロックプレートに接続します。定期的にネジの緩みを締めて、プルロッドの可動部分をきれいに保つことをお勧めします。定期的に適量の潤滑剤を塗布してください。

Pull RodPull RodPull RodPull RodPull RodPull RodPull RodPull RodPull RodPull RodPull RodPull RodPull RodPull RodPull RodPull RodPull RodPull RodPull RodPull Rod


よくある質問

Q: このロック バーのカスタマイズ可能な長さのオプションは何ですか?

A: お客様の特定の要件に基づいて長さをカスタマイズできます。通常は 300 ~ 2000 mm の範囲です。


Q:規格外のキャビネット本体にも使用できますか?

A: はい、標準以外のカスタマイズをサポートしています。正確な寸法を提供するだけです。


Q: 取り付けには特殊なツールが必要ですか?

A: 取り付けには標準ツールで十分です。


Q: 何度でも再インストールできますか?

A: 堅牢な設計により、繰り返しの分解と再組み立てが可能です。


Q:配送中に変形することはありますか?

A: 安全な梱包により、通常の輸送中の変形を防ぎます。乱暴な取り扱いによる破損については補償または再発送させていただきます。



ホットタグ: プルロッド
関連カテゴリー
お問い合わせを送信
連絡先情報
ハードウェアロック、ハードウェアヒンジ、ハードウェアハンドル、または価格表に関するお問い合わせについては、メールをお届けしてください。24時間以内に連絡を取ります。
X
We use cookies to offer you a better browsing experience, analyze site traffic and personalize content. By using this site, you agree to our use of cookies. Privacy Policy
Reject Accept